您好,欢迎访问惠斯通公司官网!
服务热线 18915029551 / 18961193390 / 18915807832

江苏惠斯通机电科技有限公司

惠斯通 - 20年的匠心电机品牌特种控制电机系统解决方案定制商

惠斯通
您的位置: > 首页 > 产品中心 > 无刷电机 >
上一页
下一页

80系列直流无刷电机

80系列直流无刷电机

产品类型:无刷电机;额定功率:0.2~0.75;额定电流:1
服务热线: 0519-86163212


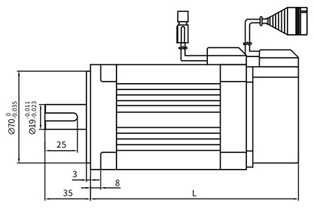
电机型号MOTOR MODEL


电机型号L(mm)L2(mm)
80WD-M006XX-XXV134
80WD-M013XX-XXV140
80WD-M024XX-XXV160170
80WD-M006XXB-XXV189
80WD-M013XXB-XXV184
80WD-M024XXB-XXV204214



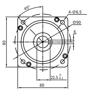
电机尺寸表MOTOR DIMENSION TABLE


尺寸表 

参数表PARAMETER TABLE



DC24VDC48V
电机型号80WD-M00630-24V80WD-M01330-24V80WD-M02430-24V80WD-M00630-48V80WD-M01330-48V80WD-M02430-48V
额定功率(KW)0.20.40.750.20.40.75
额定电流(A)10.420.839.14.99.818.4
额定转速(rpm)300030003000300030003000
转速高至(rpm)360036003600360036003600
额定扭矩(Nm)0.61.32.40.61.32.4
峰值扭矩(Nm)1.83.97.21.83.97.2
转子惯量(kg.cm2)0.30.60.90.30.60.9
机械时间常数(ms)11.513.417.310.111.815.1

DC72V
电机型号80WD-M00630-72V80WD-M01330-72V80WD-M02430-72V
额定功率(KW)0.20.40.75
额定电流(A)3.36.512.3
额定转速(rpm)300030003000
转速高至(rpm)360036003600
额定扭矩(Nm)0.61.32.4
峰值扭矩(Nm)1.83.97.2
转子惯量(kg.cm2)0.30.60.9
机械时间常数(ms)7.28.410.8

注:电机接口、电压、转速可按客户要求定制

型号命名规则MODEL NAMING RULES

型号命名
代号说明
机座号、电机外径单位:mm
电机类型WD表示电机为直流无刷电机
反馈元件规格M表示有霍尔传感器/N表示无霍尔传感器
额定转矩表示电机额定转矩,其值为三位X0.1单位Nm
额定转速表示电机额定转速,其值为两位X100单位rpm
失电制动器代号B表示带失电制动器,缺省表示不带失电制动器
电压等级表示电机额定电压,包括DC24V、DC48V、DC72V、DC96V、DC310V等
定制特征客户定制代号

热品推荐 / Hot product

220EX防爆交流伺服

220EX防爆交流伺服

产品类型:防爆伺服电机; 产品型号:220EX; 定制需求:电机接口、电压、转速可按客户要求定制…
60防爆直流无刷一体机

60防爆直流无刷一体机

电机特点防爆直流无刷一体机是一种具有防爆性能的直流无刷电机,结合了直流无刷电机的高效、低噪音、低维护等特点,以及防爆设备的安全性能,适用于易燃易爆环境下的应用场…
90防爆直流伺服驱动一体机

90防爆直流伺服驱动一体机

防爆直流伺服一体机:防爆伺服驱动一体机是一种专为易燃易爆环境设计的集成式伺服控制系统,将伺服驱动器、电机及防爆结构整合为一体,适用于石油、化工、矿业等高风险场景。电机型号电机型号L(mm)90ST-J02430-EX-48...…
70防爆直流伺服驱动一体机

70防爆直流伺服驱动一体机

防爆伺服驱动一体机:防爆伺服驱动一体机是一种专为易燃易爆环境设计的集成式伺服控制系统,将伺服驱动器、电机及防爆结构整合为一体,适用于石油、化工、矿业等高风险场景。电机尺寸表电机型号L(mm)70ST-J00630-EX-...…

推荐资讯

咨询热线

0519-86163212