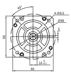
| 电机型号 | L(mm) | |
| 90WD-M024XX-XXV | 158.5 | |
| 90WD-M035XX-XXV | 168.5 | |
| 90WD-M050XX-XXV | 188.5 |

| DC24V | DC48V | |||||
| 电机型号 | 90WD-M02430-24V | 90WD-M03530-24V | 90WD-M05020-24V | 90WD-M02430-48V | 90WD-M03530-48V | 90WD-M05030-48V |
| 额定功率(KW) | 0.75 | 1.1 | 1 | 0.75 | 1.1 | 1.5 |
| 额定电流(A) | 36.8 | 53.9 | 49.0 | 18.4 | 27.0 | 36.8 |
| 额定转速(rpm) | 3000 | 3000 | 3000 | 3000 | 3000 | 3000 |
| 转速高至(rpm) | 3600 | 3600 | 3600 | 3600 | 3600 | 3600 |
| 额定扭矩(Nm) | 2.4 | 3.5 | 5 | 2.4 | 3.5 | 5 |
| 峰值扭矩(Nm) | 7.2 | 10.5 | 15 | 7.2 | 10.5 | 15 |
| 转子惯量(kg.cm2) | 1 | 1.3 | 1.9 | 1 | 1.3 | 1.9 |
| 机械时间常数(ms) | 17.6 | 17.6 | 22.4 | 15.4 | 15.4 | 19.6 |
| DC72V | |||
| 电机型号 | 90WD-M02430-72V | 90WD-M03530-72V | 90WD-M05030-72V |
| 额定功率(KW) | 0.75 | 1.1 | 1.5 |
| 额定电流(A) | 12.3 | 18.0 | 24.5 |
| 额定转速(rpm) | 3000 | 3000 | 3000 |
| 转速高至(rpm) | 3600 | 3600 | 3600 |
| 额定扭矩(Nm) | 2.4 | 3.5 | 5 |
| 峰值扭矩(Nm) | 7.2 | 10.5 | 15 |
| 转子惯量(kg.cm2) | 1 | 1.3 | 1.9 |
| 机械时间常数(ms) | 11 | 11 | 14 |
注:电机接口、电压、转速可按客户要求定制

| 代号说明 | ||
| ① | 机座号、电机外径 | 单位:mm |
| ② | 电机类型 | WD表示电机为直流无刷电机 |
| ③ | 反馈元件规格 | M表示有霍尔传感器/N表示无霍尔传感器 |
| ④ | 额定转矩 | 表示电机额定转矩,其值为三位X0.1单位Nm |
| ⑤ | 额定转速 | 表示电机额定转速,其值为两位X100单位rpm |
| ⑥ | 失电制动器代号 | B表示带失电制动器,缺省表示不带失电制动器 |
| ⑦ | 电压等级 | 表示电机额定电压,包括DC24V、DC48V、DC72V、DC96V、DC310V等 |
| ⑧ | 定制特征 | 客户定制代号 |
服务热线
微信扫一扫